18702111912
中压测控装置 电力监控与保护 电能计量管理 电能质量治理 电气安全监控 机电节能控制 光伏新能源系列 智能网关 环保监控管理 电量传感器
系统解决方案 能源物联网云平台
工矿企业 建筑楼宇 酒店公寓 市政工程 交通运输 教育医疗 电气安全
公司简介 公司荣誉 产品资质 公司新闻 企业 VR
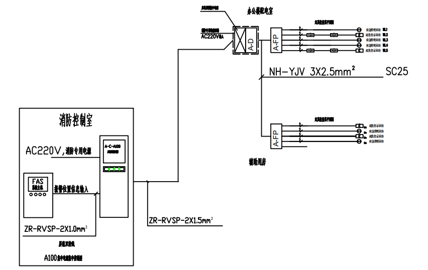
项目名称:关中环线金渠阀室扩建分输站工程 消防应急照明和疏散指示系统
项目地点:陕西
实施时间:
关中环线金渠阀室扩建分输站工程位为陕西省宝鸡市眉县霸王河工业园区宴家村,现场由一栋3层的办公楼以及一栋一层的辅助用房组成,辅助用房内有燃气锅炉和燃气发电机,此部分有防爆要求。设计一套系统实现整个天然气分输站的应急照明控制,减少灾害发生时的人员伤亡,降低财产损失。
1.消防联动
2.系统监控
3.系统自检
4.记录查询
5.导光流
上一篇
下一篇
扫码咨询