

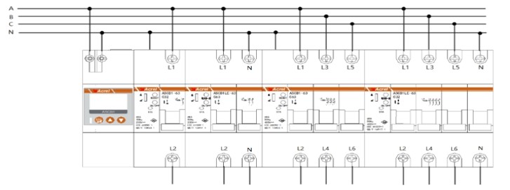
ASCB1系列智能微型断路器是安科瑞电气股份有限公司全新推出的智慧用电产品,产品由智能微型断路器与智能网关两部分组成,可用于对用电线路的关键电气因素,如电压、电流、功率、温度、漏电、能耗等进行实时监测...
立即咨询ASCB1系列智能微型断路器是安科瑞电气股份有限公司全新推出的智慧用电产品,产品由智能微型断路器与智能网关两部分组成,可用于对用电线路的关键电气因素,如电压、电流、功率、温度、漏电、能耗等进行实时监测,具有远程操控、预警保护、短路保护、电能计量统计、故障定位等功能,应用于户内建筑物及类似场所的工业、商业、民用建筑及基础设施等领域低压终端配电网络。
商场、超市等购物场所
养老院、福利院、孤儿院等社会福利机构
图书馆、博物馆、科技馆、文化馆等文化活动中心
车站、轨道交通等交通枢纽
易燃易爆仓库、木材加工、纺织、喷涂、制药等企业
酒吧,网吧等娱乐场所
幼儿园、小学、大学等学校场所
运营商及铁塔基站
道路照明、园区照明、隧道照明
冶金、化工、纺织等工业电动机及电力系统
医院、银行、酒店等人员密集场所