18702111912

电气安全监控

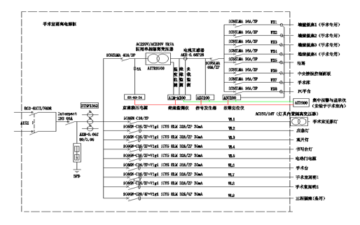
GGF医用隔离电源柜

医疗IT系统装设绝缘监测装置来监测系统的绝缘状况,各输出回路采用了具有短路保护功能的断路器;其它系统输出回路则采用了具有漏电保护功能的断路器。针对医疗2类场所的供电需求而设计的具有局部IT系统的配电柜...

立即咨询
  • 产品简介
  • 技术参数
  • 选型组网
  • 外形安装
  • 产品报价
  • 功能:

    医疗IT系统装设绝缘监测装置来监测系统的绝缘状况,各输出回路采用了具有短路保护功能的断路器;其它系统输出回路则采用了具有漏电保护功能的断路器。

    应用场所:

    针对医疗2类场所的供电需求而设计的具有局部IT系统的配电柜。

    型号说明:

  • 落地式

    嵌入式

    GGF-T

电话咨询

18702111912

微信咨询

微信

扫码咨询

QQ 咨询

在线咨询

返回顶部